ONIS | Надежный производитель насосного оборудования | 8 (800) 500-63-17

Автоматическая трубная муфта ATM DN100 (B)

Артикул: 103013

22221 ₽

Автоматическая трубная муфта (АТМ) создана для соединения канализационных насосов с трубопроводами. Она подходит для использования в грязной воде и бытовых стоках. АТМ применяется для стационарного погружного монтажа насосов, обеспечивая герметичное соединение между насосом и трубой.

Характеристики:
Нетто, кг:
36
Все характеристики

Автоматическая трубная муфта (АТМ), предназначена для соединения канализационных насосов с трубопроводами. Ее используют для облегчения монтажа погружных насосов на напорном трубопроводе. Муфты пригодны для применения в грязной воде и хозяйственно-бытовых стоках. АТМ используется для стационарного погружного монтажа насосов.

Муфты обладают рядом преимуществ, которые делают их идеальным выбором для систем водоотведения. Во-первых, обеспечивают быстрое и надежное соединение без использования дополнительных инструментов. Во-вторых, идеально подходят для использования с различными типами насосов. В-третьих, гарантируют герметичность соединения между насосом и трубой.

Модельный ряд

Наш завод изготавливает муфты следующих размеров:

  • От DN 50 м3/ч до DN 600 (для насосов серии - SW)
  • И от DN 50 м3/ч до DN 100 (для насосов серии - SWB)
Комплектность

В комплект поставки автоматических трубных муфт входит:

  1. Соединительная опора с коленом.
  2. Соединительный фланец с захватом.
  3. Верхний держатель с креплением направляющих труб.
  4. Уплотнительное кольцо.
  5. Комплект крепежных элементов.
Нетто, кг:
36
Диапазон pH перекачиваемой среды:
pH 6.5-8.5
Тип присоединения:
фланцевое
Материал:
чугун
Дополнительно:
сточные воды
Гарантия:
Гарантийный срок эксплуатации - 24 месяца
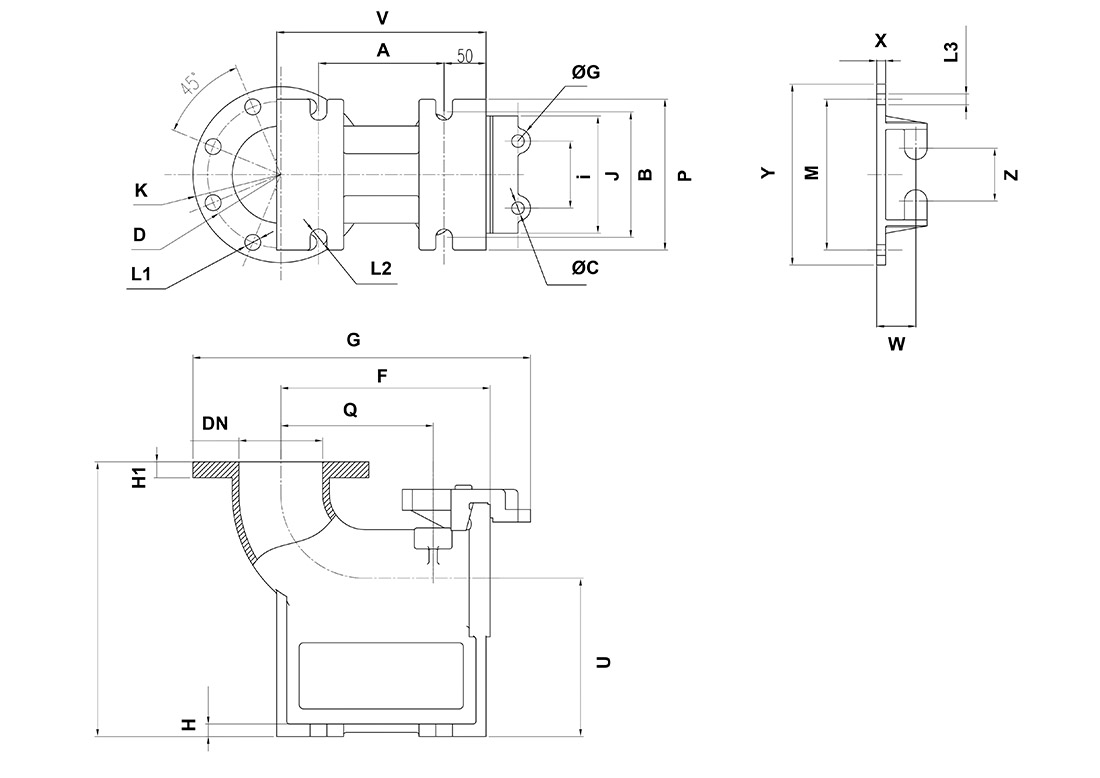
A:
150
B:
150
D:
175
DN:
100
E:
328
F:
250
G:
403.2
H:
15
H1:
19
J:
140
K:
210
L1:
8-Ø19
L2:
4-Ø20
L3:
2-Ø12
M:
240
P:
180
Q:
182
U:
189
V:
250
W:
60
X:
14
Y:
280
Z:
95
i:
80
ØG:
R15
ØС:
2-Ø15