Насосы ONIS MV(S) 1
Области применения
Насосы серии MV/MVS предназначены для: перекачивания разнообразных сред от чистой воды м3/ч до промышленных жидкостей аналогичных по плотности воды и подходят для разных диапазонов температур, расхода и давления.
Широко применяются в системах водоснабжения для повышения давления воды, пищевой промышленности, системах пожаротушения, системах промышленной очистки и т.д
Вертикальные многоступенчатые насосы MV/MVS разработаны по европейским стандартам качества. Насос компактен по конструкции, имеет низкий уровень шума, малые габариты и обладает значительной энергосберегающей эффективностью. Компоненты насоса изготавливаются путем штамповки и сварки из высококачественной нержавеющей стали 304, а уплотнение вала выполняется с применением механического уплотнения из твердого сплава и фторкаучука. При изготовлении рабочего колеса применяется современная технология лазерной сварки, обеспечивающая высокую прочность и эффективность рабочего колеса. Уплотнения вала соответствуют стандарту EN 12756.
Насосы ONIS комплектуются высокоэффективными электродвигателями, которые обеспечивают низкий уровень шума и не требуют проведения технического обслуживания. Установлены качественные японские подшипники NSK, которые рассчитаны на длительный срок эксплуатации. Электродвигатель имеет полностью закрытую конструкцию, класс защиты IP55, класс изоляции F, насос оснащен двойным уплотнением подшипника, что позволяет выдерживать более высокое внутреннее давление.
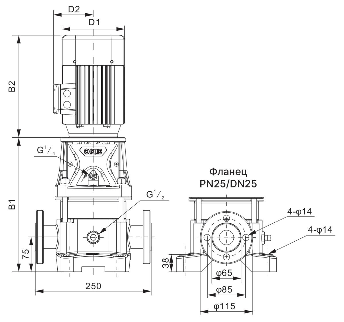
MV - основание насоса (опорная часть) и фланцы выполнены из чугуна. Корпус насоса, вал, и рабочие колеса насоса выполнены из нержавеющей стали AISI 304;
MVS - Все элементы контактирующие с жидкостью, такие как: основание насоса, вал, корпус насоса, рабочие колеса и др. элементы выполнены из нержавеющей стали AISI 304, фланцевое соединение из чугуна.
Условия эксплуатации
- Способ установки:
Насос должен быть установлен вертикально. - Рабочая среда
Чистая, негорючая, невзрывоопасная жидкость без твердых частиц или волокон. Этот насос может использоваться для перекачивания слабо коррозионных сред. - Если плотность или вязкость перекачиваемой среды больше, чем у воды, необходимо рассмотреть возможность использования насоса с большей мощностью.
- Температура рабочей среды
от-15С° до+120 С° - Температура окружающей среды
до +40 С°
Расшифровка обозначений

























